阀阵式多单元连续离子交换设备
设备原理
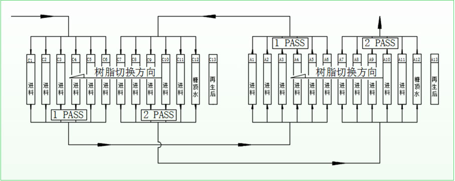
和普通离交系统一样,都是把树脂装填到离交柱里面,对树脂进行使用和再生,只是把整个系统里面的树脂分成更多的单元,进行更细致的运行,多单元就是这个意思。
阀阵
就是由多个阀门和若干管路连接起来,组成一个阀门阵列,通过步调一致的变换开关状态来实现所属化工单元的各种功能的切换。
多单元
把整个系统里面的树脂分成更多的单元,进行更细致的运行。
设备优势
1.提高了树脂利用率


2、串联运行实现降低消耗和排污
多单元串联运行,使得水,酸碱等消耗极大降低,较少了污染处理费用。

3、产品质量稳定

传统固定床或其他大床系统的运行过程中,当切换柱子的时候产品质量都有较大的波动(主要表现在浓度、电导率、色度、PH值等指标上),而多单元化系统采用并联方式对物料进行净化处理,每次切换只有一个小的失效柱移出和一个小的新鲜柱移入,对整个系统的波动影响要小很多,因而产品的质量相当稳定。
4、全自动操作减少了人为的错误操作和浪费操作

将自动化和工艺流程相结合,使得操作全自动,减少了失误率和人工费用。
5、阀门选用欧洲进口品牌,质量保证
1996年第一套设备安装的阀门,使用十年后,仍然没有损坏。目前,我公司为客户提供的20000只阀门,均正常运行,无质量问题。

6、团队具有丰富的现场安装调试经验,完善的售后服务
与其它设备比较
1.与满室床相比
阀阵式多单元连续离交设备与满室床最大的区别就是增加了多单元,进一步起到了水和化学品综合利用的作用,化学品和水可以分别进一步节省30%和60%以上;树脂用量减少60%,设备一次投资减少,产品品质更高。

2.与ISEP相比

阀阵式多单元连续离子交换设备
- 阀门切换动作小,流量和压力波动小,系统得到保护。
- 阀门可任意开关(在一定的操作权限内),处理故障更加灵活。
- 步骤切换和流量参数可配合设置,工艺操作更加精细(如可分快洗和慢洗)。
- 后续扩产方便,改造投资省,周期短。
- 使用的阀门可靠,系统有安全保障。
- ISEP设备需要后期维修。
应用方面
1.阀阵式多单元连续离子交换设备在葡萄糖、果葡糖浆、麦芽糖浆上的应用

2.阀阵式多单元连续离子交换设备在山梨醇、麦芽糊精、结晶葡萄糖上的应用

3.阀阵式多单元连续离子交换设备在F55果葡糖浆上的应用

4.阀阵式多单元连续离子交换设备在葡萄糖、麦芽糖上的应用

阀阵式多单元连续离子交换设备常在以下行业应用
- 糖类行业: 主要是淀粉糖,包括葡萄糖,结晶葡萄糖,果糖,结晶果糖,F42,F55,麦芽糖,糊精等;木糖。
- 化工行业: 乙二醇和有机酸,包括L-乳酸、柠檬酸、VC、味精,以及各种氨基酸,如赖氨酸、L-苯丙氨酸、亮氨酸、蛋氨酸等。
- 食品行业: 甜菊糖、山梨醇、木糖醇等甜味剂,抗氧化剂异VC钠等。
- 医药行业: 抗生素等。
- 热电行业: 水处理等。